公司新闻

浅析广一热水循环泵的电气控制线路图

        生活用热水主要是洗脸、洗衣、食堂洗涤及洗澡等,所需温度各异,一般在30~60℃。热水的供水温度应高于用水点的用水温度,供水温度要比用水温度至少多5℃,即供水出口温度不低于55~65℃,设计时应按65~70℃考虑。设定为55℃启泵,65℃停泵。广一水泵下面以民用建筑的热水循环泵为例加以说明。
1、线路的构成
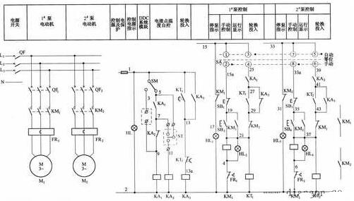
        热水循环泵一般安装在热水系统的管道上,两台泵一台工作,一台备用。受安在回水管上的同一个电接点温度计ST控制,或受楼宇自动化(BAS)系统、计算机数字式直接控制(DDC)空调自控系统控制,如图所示。
        当控制温度低于给定值时,ST的触头ST(5-7)闭合,当温度上升到限定值时,ST的触头ST(5-11)闭合。当开关SM处于SM(1-5)闭合位置时,则中间继电器KA1、KA2受电接点温度计ST控制。SM处于SM(1-3)闭合位置时,则中间继电器KA1、KA2不受ST控制,而由楼宇自动化系统BAS或计算机系统控制。转换开关SA可以使水泵处于自动、零位或手动工作方式。
 
        
 
 
两台热水循环泵温度自动控制转换电气控制线路
两台热水循环泵温度自动控制转换电气控制线路
 
2、线路的工作原理
(1)手动控制
        合上自动开关QF1(或QF2),将转换开关SA转至“手动”位置。其触点1—2及7—8闭合。
        按下启动按钮SB2,接触器KM1的线圈通电,其主触头闭合,KM1的常开辅助触头KM1(19–21)闭合自锁,电动机M1启动。按下停止按钮SB1,接触器KM1的线圈失电,其主触头断开,电动机M1停转。
        2号泵电动机由启动按钮SB4和停止按钮SB3进行手动控制,原理与1号泵电动机类似。
 
(2)自动控制
        合上自动开关QF1(或QF2),将转换开关SA转至“自动”位置,其触点3—4及5—6闭合。
        当温度低于给定值时,ST的触头ST(5–7)闭合,使KA1线圈得电,KA1的常开触头KA1(5–7)、KA1(25–27)均闭合,使接触器KM1和时间继电器KT1得电吸合,KM1的主触头闭合,KM1的常闭辅助触头KM1(43–37)断开对KM2和KT2联锁,1号泵电动机启动;时间继电器KT1的常开触头KT1(27–29)闭合,经过预定的时间后,KT1的常开触头KT1(1–13)延时闭合,使KA3得电吸合自锁,KA3的常开触头KA3(41–43)闭合,为启动2号泵电动机做好准备。
        当温度上升到限定值时,ST的触头ST(5–11)闭合,使KA2线圈得电,KA2的常闭触头KA2(7–9)断开,使KA1线圈失电,KA1的常开触头KA1(25–27)复位断开,使接触器KM1和时间继电器KT1失电释放,KM1的主触头断开,1号泵电动机停机。KA2的常开触头KA2(39–41)闭合,使接触器KM2和时间继电器KT2得电吸合,KM2的主触头闭合,KM2的常闭辅助触头KM2(29–21)断开对KM1和KT1联锁,2号泵电动机启动运转;时间继电器KT2的常开触头KT2(41–43)闭合,经过预定的时间后,KT2的常闭触头KT2(13–13a)延时断开,使KA3失电释放,KA3的常开触头KA3(41–43)复位断开,KA3的常闭触头KA3(27–29)复位闭合,为再启动1号泵电动机做好准备。这样就完成了第一次循环。
 
(3)信号显示
        合上电源开关,绿色信号灯HL亮,表示电源已接通。电动机M1启动时,红色开泵信号灯HL2亮,停泵信号灯HL1熄灭;M2启动时,红色开泵信号灯HL4亮,停泵信号灯HL3熄灭。
 

Copyright © 2010-2020 广一泵业集团有限公司版权所有