公司新闻

浅析大功率生活水泵的电气控制

        当生活水泵电动机容量较大时通常采用星三角形降压启动,鼠笼式异步电动机的降压启动方式有自耦变压器降压启动、星三角形降压启动等多种降压方式。广一水泵下面以星三角形降压启动为例说明。此例在高位水箱中设置水位信号器,采用干簧式开关作为水位信号器对电动机进行控制以供生活给水之用。水泵电动机一台为工作泵,另一台为备用泵。
 
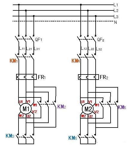
1、大功率生活水泵降压启动控制线路
        该线路由水位信号回路、水泵机组的主回路和控制回路构成,如下图所示。图中采用了SA1和SA2两个转换开关,两台水泵可分别选择自己的工作状态,使控制具有灵活性。受屋顶高位水箱水位开关的控制,低水位启泵,高水位停泵。
生活水泵星-三角形降压启动控制线路(主电路)
生活水泵星三角形降压启动控制线路(一)
(a)主电路
生活水泵星三角形降压启动控制线路(控制电路)
生活水泵星三角形降压启动控制线路(二)
(b)控制电路
 
2、大功率生活水泵降压启动控制工作原理分析
(1)自动控制
        将转换开关SA2转至“自动(Z1)”位,其触点9-10、11-12接通,其它触头断开;将转换开关SA1转至“备用(Z2)”位,其触点1-2接通,M2为工作泵,M1为备用泵,控制过程如下。
①正常工作时的控制
        如果屋顶高位水箱水位在低水位时,浮标下降,对应于SL2处,SL2动合触点闭合,水位信号电路的中间继电器KA1线圈得电,其动合触头闭合,接通205–207点,使接触器KM6线圈通电吸合,KM6的动合触头闭合,接通209–215点后时间继电器KT2和接触器KM4同时通电,2号水泵电动机M2以星形接法降压启动;经过预定的时间延时后,KT2的动断触头(即209–211点)延时断开,KM6的线圈失电,其触头复位,随后KT2常开触头延时闭合,使接触器KM5线圈通电,则电动机M2以三角形接法全电压稳定运行。
②备用泵自动投入控制
        在故障状态下,即使屋顶高位水箱的水位处于低水位,SL2接通,使水位继电器KA1动合触头闭合,但如果KM6机械卡住触头不动作,造成KM4、KM5都不动作,使时间继电器KT3线圈通电,经预定时间延时后,KT3的动合触头(即1–21点)延时闭合,接通KA2线圈,KA2动合触头闭合,接通113-107点,使KM3线圈通电,KM3动合触头(即109–115点)闭合,于是时间继电器KT1和接触器KM1同时通电,1号水泵电动机M1以星形接法降压启动,之后过程同上。
(2)报警控制
        当工作泵发生故障停泵后,时间继电器KT3线圈通电,经预定时间延时后,KA2线圈通电吸合,电铃HA响,发出故障报警并启动备用泵。当水源水池断水时,水位信号器SL3闭合,使继电器KA3线圈通电吸合,其动合触头闭合,接通1–25点,于是电铃HA也报警。当接到报警后,可按下音响解除按钮SBR,中间继电器KA4线圈通电并自锁,其动断触头(即25–27点)断开,切断电铃HA电路,电铃不再响。
        当万能转换开关SA1转至“自动”位,将转换开关SA2转至“备用”位,M1为工作泵,M2为备用泵,其工作原理与前面广一水泵的分析类似。

Copyright © 2010-2020 广一泵业集团有限公司版权所有