行业新闻

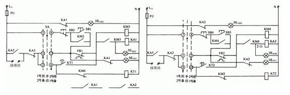
全电压启动的消火栓水泵电路图

1、特点:
        一用一备,互为备用,故障自动切换;双电源自投自复;降压软启动。
消火栓水泵电路图1
2、控制要求:
        ①控制柜上手动控制;
        ②消火栓箱手动按钮启动;
        ③消防模块控制;
        ④消防中心远距离自动/手动控制;
        ⑤故障报警(在控制盘及消防中心均要求反映);
        ⑥水源水位过低停泵;
        ⑦管网水压过高报警停泵。
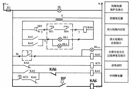
消火栓水泵控制电路要求
3、消火栓箱内消防按钮的控制启泵
        转换开关SA处于“1号用,2号备”。
        当发生火灾时,打碎消火栓箱内消防专用按钮上的玻璃(或用力压下塑料面), SE1~SEn复位(断开)KA4↓→KT3↑→延时后→KA5↑→KM3↑→1号水泵电动机M1启动加压。→KA1↑→H1YE1↓,H1GN1↓→H1RD3↑
4、水池水位过低停泵
        当水源水位过低或无水时,水位信号器S1↑→KA3↑→水泵电机停转。
全电压启动的消火栓水泵电路图
5、消防模块控制启泵
        FAS接入消防控制系统控制模块的两个常开触点,当火灾时消防中心控制模块常开触点闭合后, KM3↑,KM4↑→1号水泵和2号水泵电动机M1启动加压。
6、故障自投
        当1号水泵出现故障造成过载或接触器接电不动作时
        FR1↑(或KM3↓)→KA1↓→H1RD3↓,同时:KT2↑→延时后→KM4↑→2号水泵自动投入运行,并且:KA2↑→H1YE2↓,H1GN2↓→H1RD4↑
 


Copyright © 2010-2020 广一泵业集团有限公司版权所有